• Welcome to madbeanpedals::forum.

News:

Forum may be experiencing issues.

Main Menu

Gibson Maestro Fuzz Tone

Started by PhiloB, April 04, 2014, 03:27:59 AM

Previous topic - Next topic

PhiloB

Buddy of mine has a Maestro Fuzz -1A, meaning it runs on (1) AA battery.  He wants to be able to plug a standard 9v adapter to power it.  Could I use the Road Rage to convert the power to appropriate -9V and then use the Beavis Audio dying battery simulator to get to the 1.5V needed ?
http://www.beavisaudio.com/Projects/DBS/#Adding

Is there a better way to drop the voltage to 1.5V?

jkokura

Have you thought about suggesting building him a Maestro clone that you can use a road rage or other voltage divider to get down to 1.5V? Rather than mod a really cool old vintage unit, it might be easier to build a new version in a 1590B for him.

Jacob
JMK Pedals - Custom Pedal Creations
JMK PCBs *New Website*
pedal company - youtube - facebook - Used Pedals

Clayford

THis and then some. You really don't want to modify that circuit at all. And AA's are so filthy cheap....
head solder jockey, part time cook: cranky&jaded

PhiloB

I questioned him on wanting to modify this unit.  He's talking about removing the hard wired cable as well.  He mentioned not liking the tone (losing a lot of low end).  This might be a good point to argue for building a clone and changing the filtering cap.

Clayford

Quote from: PhiloB on April 04, 2014, 03:40:37 AM
I questioned him on wanting to modify this unit.  He's talking about removing the hard wired cable as well.  He mentioned not liking the tone (losing a lot of low end).  This might be a good point to argue for building a clone and changing the filtering cap.

Yes please.
http://www.ebay.com/itm/Original-Gibson-Maestro-Fuzz-Tone-F-1A-Pedal-/261439708685
http://www.ebay.com/itm/Gibson-Maestro-FZ-1A-Fuzz-Tone-Guitar-Effects-Pedal-Original-Fuzztone-FZ1A-/171284446800

I don't think he realizes exactly what that thing is worth.

head solder jockey, part time cook: cranky&jaded

PhiloB

His isn't nearly as pristine but you make a great argument none the less $$$

Clayford

http://experimentalistsanonymous.com/diy/Schematics/Fuzz%20and%20Fuzzy%20Noisemakers/Maestro%20FZ-1%20and%20FZ-1a.GIF

Here.

Make him two.

Voltage divider to get 1.5v
9v
|
|
Z (500k)
|
   --------- 1.5v
|
Z (100k)
|
|
GND

use a 1M and 500k for the 3v Version.

He'll thank you later.
head solder jockey, part time cook: cranky&jaded

jkokura

If he doesn't like the tone...

Sell it and build him something he does like!

Jacob
JMK Pedals - Custom Pedal Creations
JMK PCBs *New Website*
pedal company - youtube - facebook - Used Pedals

PhiloB

I left him a message before bed last night and woke up to question about a clone.  Sounds like he's entertaining it.  I'm thinking he wanted to have that pedal on his board, for conversation sake maybe.  I shared the eBay listings$.  It'd be hard to argue with that.
So to drop the voltage would be a matter of fixed resistors?  Next question would be, which would be a 'better' choice? 3v or 1.5v?  3V for more headroom;)

You guys have been a real help, thanks!

midwayfair

Timbo did one that runs on a power supply if you can find it. It was probably a year ago.

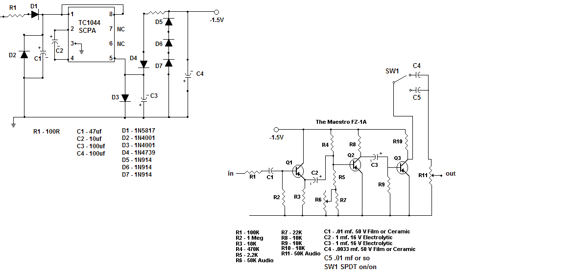
timbo_93631

Here's the link to that thread:
http://www.madbeanpedals.com/forum/index.php?topic=11500.0
But most importantly:

So this uses 1n914's to get the voltage down to -1.5vdc from the charge pump and it was the best way I could find to do it after a lot of breadboarding.
Sunday Musical Instruments LLC.
Sunday Handwound Pickups

PhiloB


PhiloB

Hey Timbo, I didn't see the vero layout referenced in the other thread.  Do you still have that available?